背景
目前生命体征的测量主要分为接触式和非接触式两种。接触式的测量主要是通过传感器或生物电极提取生理信息,然后通过转化装置就可以得到能表征人体生理活动的电信号或者机械信号。但是这种方法的缺点是必须直接接触人体并且只适合短时间的连续监测,并且在某些特殊的场合比如传染病人、烧伤病人、新生儿等的生命体征监测中较难实施。因此在实际临床应用上,找到一种非接触式的生命体征监测方法来获取特殊场合的病人的生命体征信息是非常必要的。非接触式监测不需要任何传感器接触人体,这就使得连续测量病人的体征成为可能,也为分析机体的健康状况以及做大数据分析、提前预知各种系统是否发生病变提供了帮助。
1.人体生命特征建模
心跳和呼吸频率是人体心肺功能的重要指标,对于一般人体而言,心跳每分钟大约 60 至100 次,而呼吸则是 15 至 30 次。如遇突发疾病或是人体剧烈运动之后,心跳次数可能达到120 次每分钟,呼吸则会增至 60 次每分钟。在很多的医学影像中可以观察到人体心脏的跳动过程,这种运动模式类似于振动的伸缩,其伸缩的幅度约为 0.01~0.2mm。并且人体心跳的速率在一个稳定的范围内是周期变化的,所以,可以将心跳近似于正弦振动模型。呼吸是胸腔的扩张与收缩完成的,同样类似于正弦振动,也可近似为正弦振动模型,其起伏的幅度约为 0.1~0.5mm。由于心跳呼吸频率不一样,可以视为两者之间存在相位延迟,假设人体相对于雷达处于静止状态,根据以上分析可以建立如下模型。
(1.1)
其中,R0为雷达与人体之间的距离,第二项为呼吸部分,第三项为心跳,Ah和Ab分别为心跳和呼吸的振动幅度,fh和fb分别为心跳和呼吸的频率值,θ是心跳的初始相位。
2.基于雷达的生命特征检测原理
2.1 线性调频连续波(LFMCW) 工作原理
线性调频信号通过采用非线性相位调制技术获得大时宽带宽积,提高雷达系统的目标探测能力、 测量精度和分辨能力,从而得到了广泛的应用。该体制雷达在发射周期内发射频率随时间线性变化的信号,通过测量接收信号与发射信号的相对频率关系来测量目标信息。
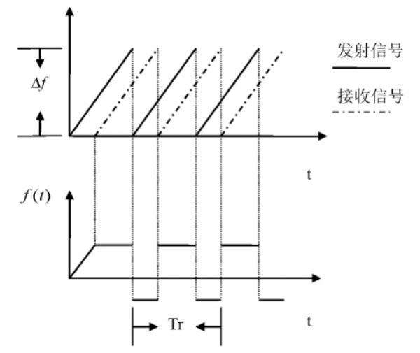
图2-1 LFMCW回拨差怕信号时频图
雷达的发射信号、回波信号以及差拍信号的瞬时频率如图 2-1 所示。 则扫频段在第 m 个信号重复周期内,发射信号可表示为:
(2.1)
其中T为发射调频信号的时间间隔,f0是雷达载频,φ0为发射信号初始相位。
μ=B/T(B为调频带宽)为调频斜率。则距离为R(t)的点目标产生的回波延时为τ(t),其回波信号可表示为:
(2.2)
Kr为目标反射系数。

则回波信号经过混频(发射-接收)、相干解调后,回波差拍信号可以表示为:
(2.3)
2.2心跳和呼吸提取
将雷达正对人体,距离R0 放置,心脏和胸腔散射中心对雷达回波的调制都蕴含在雷达回波差拍信号中,只需分析差拍信息,就可提取出人体生命特征信号。 心脏和呼吸幅度均为毫米级别,而R0一般大于0.5m, 因此在慢时间维上近似认为R(t)为常数 R(mT),对φb求关于慢时间t的导数可得其信号参数如下:
中心频率
初始相位
易知多个发射周期的初始相位信息表达式为:
(2.4)
其中,N为发射的线性调频信号周期数。则提取快时间维的初始相位信息,即可获得人体心肺信号。由于相位序列范围限制为[-π,π],可知的φb(m)会因卷绕而出现相位突变,突变处的相位会比未卷绕序列的相应相位增加±2π,造成相位方差的增加,从而导致信号解算结果有误。 因此,需要对φb(m) 进行适当的相移,进行解卷绕操作。由公式2.4可知,两个快时间维的相位变化为:Δφ=4π/λ(ΔR),本方案中λ=8.6mm,-1mm<ΔR<1mm,则-π/2<Δφ<π/2。因此需要对相位变化不满足Δφ的相位点进行解卷绕操作。
2.4实时生命体征信息检测
心肺信号需要进行分离。生物雷达信号处理方法不同于常用的心电和脉搏波信号检测方法,它检测的是心跳和呼吸复合的信号。呼吸运动在幅度上比心跳强得多,使得心跳运动不易分离提取。而且呼吸与心跳引起的微动在体表空间上重叠,由于雷达系统函数的非线性,易产生频域交调。另外, 雷达信号的波形表现为微弱的心跳信号叠加在幅度较大的呼吸信号之上。对于心跳信号,呼吸信号是一个强的基线漂移干扰,这使得时域上的寻峰或过零检测等常规心率测量方法难以应用到雷达解调信号的处理上来。
在分离了呼吸和心跳信号之后,分别进行频率计算。对于心跳数据,先进行移动损毁判断,如果波的能量超过了设定的阈值则丢弃该段数据,避免过大的运动所带的能量影响最终计算的准确性。然后对该数据分别进行基于 FFT、自相关、峰值间隔的谱估计,并分别计算出其置信参数,然后根据置信参数进行判断最终取值。
在基于 FFT 计算心率的过程中,需要检测并滤除呼吸产生的一次谐波,并对结果进行中值滤波。对于呼吸数据只进行基于 FFT 和峰值间隔的谱估计,然后同样根据计算出的置信参数判断最终取值。
图2-2心跳呼吸信号提取流程图
声明:本文内容及配图由入驻作者撰写或者入驻合作网站授权转载。文章观点仅代表作者本人,不代表电子发烧友网立场。文章及其配图仅供工程师学习之用,如有内容侵权或者其他违规问题,请联系本站处理。 举报投诉
相关知识
毫米波雷达非接触生命体征检测技术研究
毫米波雷达如何实现精准心率变异性检测?
基于毫米波雷达的人体活动智能检测方法及健康监护系统.pdf
AI融合毫米波雷达,IOTE·2024 深圳毫米波雷达技术生态研讨会成功举办!
毫米波雷达:老年人健康管理新利器!
毫米波雷达为什么成为医疗健康监测领域的香饽饽?
看懂毫米波雷达,这一篇就够啦!
空天院医疗电子团队基于毫米波雷达无感式医疗健康监测研究取得进展
全球首款!利用毫米波雷达实现AI情绪追踪的吊坠
研究团队开发基于毫米波雷达的隐私保护VR手势识别系统
网址: 基于毫米波雷达生命特征检测原理及实现 https://m.trfsz.com/newsview1671303.html