近日,我院叶大蔚课题组在固态电路领域国际顶级期刊《IEEE Journal of Solid-State Circuits》(简称JSSC)上发表了题为“Analysis and Design of a Series-Resonance VCO With Magnetic Mutual Resistance”的研究论文。该成果曾首发于芯片设计领域顶级会议2025 IEEE VLSI Symposium,该工作发表后受到了学术界与工业界的广泛关注,随后受邀投稿至JSSC特刊用于以长文形式详述其核心理论、设计方法与实验验证,目前已顺利获得接收。这也是我院首个同时在VLSI和JSSC上进行发表的工作。

JSSC论文页面截图

VLSI汇报封面
核心创新
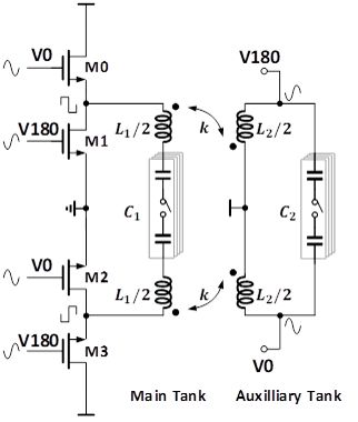
毫米波频段频率生成的频谱纯度一直是5G及未来通信系统的技术难点。针对毫米波频段压控振荡器(VCO)在低相位噪声、低功耗及紧凑面积之间难以平衡的挑战,论文提出了一种基于磁互阻(MMR)的新型串联谐振VCO(SR-VCO)架构(图1)。传统设计若想提高谐振腔阻抗以降低功耗,通常需要增加电感或电阻,但这会不可避免地损耗能量并降低Q值从而恶化相位噪声。论文提出利用单变压器的原边和副边耦合,通过控制电流之间90° 的相位偏移,在谐振腔中产生两个等效电阻(即MMR,图2)。这种电阻是由磁耦合产生的,它既能显著增强谐振腔的等效阻抗(从而降低核心电流和功耗),又不会像实物电阻那样产生热噪声并损耗Q值。基于该原理设计的SR-VCO具有以下几点优势:

图1:SR-VCO电路架构图展示了利用单变压器实现的磁互电阻串联谐振腔结构

图2:变压器电路以及90°电流相移情况下的等效电路
功耗降低:MMR增大了谐振腔阻抗,在不降低Q值的前提下,显著降低了核心功耗,相较于传统串联谐振振荡器降低约1个数量级。
低相位噪声: 论文深入分析了磁互电阻对脉冲敏感函数(ISF)的影响,通过降低ISF幅度,MMR有效抑制了有源器件噪声,实现了极低的相位噪声性能,在27.78GHz频率处达到了-120.09 dBc/Hz (@1MHz offset),达到国际领先水平(图5)
高集成度: 由于仅采用一个变压器,该结构相比于其他多核振荡器面积显著降低(仅0.06mm2,图3),同时达到了相当或者更优的相位噪声性能。

图3:芯片显微照片

图4:测试环境

图5:性能对比表以及对比图
团队简介
本论文的第一作者为博士一年级学生陈路阳,通信作者为叶大蔚研究员。叶大蔚团队的研究方向涵盖射频/模拟前端、锁相环、频率生成电路及脑机接口电路等。陈路阳同学自2024年加入实验室以来,一直专注于毫米波频率生成芯片设计方向,并于加入课题组一年内,在芯片设计领域顶级会议2025 VLSI Symposium及顶级期刊JSSC上分别发表1篇论文。
该成果获得了国自然面上项目(62374066)和深圳市重大科技项目(KJZD20240903103159001)的支持。
论文信息:L. Chen and D. Ye, "Analysis and Design of a Series-Resonance VCO With Magnetic Mutual Resistance," in IEEE Journal of Solid-State Circuits, doi: 10.1109/JSSC.2025.3649681.
相关知识
无线供能研究成果发表于 Nature Communications 期刊
711集成电路振荡器.ppt
黎浩团队在BMJ Global Health发表期刊比较研究成果
两种高频CMOS压控振荡器的设计与研究
申良方教授团队在国际顶级期刊《Cancer Cell》发表高危局晚期鼻咽癌免疫治疗新成果
滁菊助力健康减脂——食品科学与工程学院科研团队在国际Top期刊《Food Bioscience》发表重要研究成果
空天院医疗电子团队基于毫米波雷达无感式医疗健康监测研究取得进展
重医大附一院邓国兰教授团队HyperQ高频QRS研究成果在SCI权威期刊成功发表
【重大成果】我院石智雷教授团队研究成果在《经济学(季刊)》2024年第6期正式发表
上海交大万佳雨团队在Joule等Cell子刊发表人工智能加速电池研发最新成果
网址: 我院叶大蔚团队在集成电路设计顶级期刊JSSC发表毫米波振荡器重要研究成果 https://m.trfsz.com/newsview1915085.html